Kettingwiel BS Duplex voor rollenketting 10B-2 gehard 5/8" x 3/8" Z = 25

Merk: DTS-Products
€37,86 Excl. btw
€45,81 Incl. btw
Op verzoek kunnen wij de kettingwielen voor u bewerken in ons bewerkingscentrum. Enkele voorbeelden van bewerkingen kunnen zijn; spiebaan, tapgat, pasboring etc.
Op voorraad
1 - 2 dagen
Voor counting... uur besteld, morgen in huis
Artikelcode K10B-2 25T-H gehard
EAN 6096530397349
Specificaties
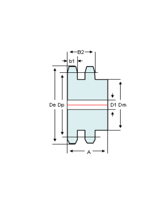
Aantal tanden Z 25
Boring D1 mm 16
Boring max. mm 70
Naaf afm. Dm mm 105
Naaf afm. A mm 45
Steek cirkel Dp mm 126.66
Kop cirkel De mm 133.60
Artikelcode K10B-2 25T-H gehard
Informatie

Kettingwiel duplex 10B-2 (5/8"x3/8") gehard Z=25T 

De kettingwielen duplex Z=25T zijn van staal C45 en zijn standaard voorzien van geharde tanden. Een voordeel van geharde tanden is de verlenging van de levensduur doordat de slijtage minder snel gaat dan bij ongeharde tanden.

Steek  P =  15,875 mm
Binnenbreedte  E =   9,650 mm
Roldiameter  D3 =   10,16 mm
Tandbreedte  b1 =   9,000 mm
   B2 =  25,500 mm

 

Wat is een kettingwiel duplex?

Een Kettingwiel duplex is een getand onderdeel van een machine of constructie waarover een ketting loopt om zodoende beweging en/of koppel over te brengen naar een tweede kettingwiel.
Hierbij bestaat de mogelijkheid om door middel van de verhouding tussen het aantal tanden op beide kettingwielen het overgebrachte koppel van grootte te veranderen.

Bewerking kettingwiel duplex 10B-2 (5/8"x3/8") Z = 25T 

Alle kettingwielen duplex zijn standaard voorzien van een voorboring. Op verzoek zullen wij de kettingwielen voor je bewerken in ons bewerkingscentrum. 

Hebben jullie de kettingwiel 10B-2 Z = 25T op voorraad?

Ben je op zoek naar een kettingwiel 10B-2? Dan ben je bij DTS Products aan het juiste adres. Bij ons vind je een uitgebreid assortiment plaatwielen. De kettingwielen duplex met geharde tanden zijn uit voorraad leverbaar. Naast de kettingwielen met geharde tand hebben we ook kettingwielen met ongeharde tanden op voorraad, deze zijn veelal op aanvraag. 

Je kunt de kettingwiel duplex eenvoudig in onze webshop bestellen. In de meeste gevallen kan DTS de kettingwiel duplex 10B-2 (5/8"x3/8") gehard Z = 25T direct uit voorraad leveren, mocht dit niet het geval zijn dan is het meestal mogelijk deze met een korte levertijd alsnog te leveren.

Dit betekent dat je jouw bestelling snel in huis hebt. Heb je vragen over de kettingwiel duplex of over onze andere aandrijftechnische componenten? Neem dan contact op met onze klantenservice. Wij helpen je graag!

Verzending van de kettingwiel duplex 10B-2 (5/8"x3/8") Z= 25T

Bestel de kettingwiel duplex Z = 25 tanden op werkdagen voor 16.30 uur en het wordt dezelfde dag verzonden. Bestellingen in het weekend of op landelijke vrije dagen worden op de eerstvolgende werkdag verzonden. Onder normale omstandigheden wordt de bestelling binnen 1-2 werkdagen op het gewenste afleveradres bezorgd. 

Bij bestellingen vanaf € 75,- brengen wij géén verzendkosten in rekening. Bij bestellingen tot € 75,- wordt € 7,50 aan verzend- en verpakkingskosten in rekening gebracht. Afhalen is gratis. De eventuele verzendkosten worden in de winkelwagen automatisch verwerkt.

Welke bezorgopties kan ik kiezen?

Je kunt kiezen of je de kettingwiel duplex 10B-2 wilt laten bezorgen op het gewenste afleveradres of afhalen bij DTS Products BV in Doetinchem. Maak de keuze in de winkelwagen tijdens het afronden van je bestelling.

Heb je jouw onderdelen met spoed nodig. Neem dan contact op met onze klantenservice. Wij bieden een extra service om het pakket (binnen Nederland) de volgende werkdag met post.nl vòòr 10.00 uur of 12.00 uur op het gewenste afleveradres te bezorgen. Voor (buitenland) maken wij gebruik van ups deze leveren het pakket de volgende werkdag voor 12.00 uur.

Ons adres: DTS Products BV, Havenstraat 92, 7005 AG Doetinchem

Welke kettingwielen hebben wij nog meer

We hebben 3 verschillende soorten kettingwielen in ons assortiment zitten:

DTS levert de kettingwiel duplex 10B-2 (2 x 31,00) gehard Z = 25T in heel Nederland, bij o.a. productie- en assemblagebedrijven, handelsondernemingen, technische diensten en onderhoudswerkplaatsen.

Door een merk onafhankelijk assortiment en een eigen magazijn zijn wij in staat om in de meeste gevallen direct uit voorraad in heel Nederland te leveren. Wij leveren producten in verschillende prijs- en kwaliteitsklassen. Wij streven er dan ook naar om als technische groothandel middels een erg flexibel assortiment ook totaalleverancier te kunnen zijn.

Op onze site vindt je allerlei informatie over lagers, aandrijftechnische componenten en aanverwante artikelen. Ook kun je online uw bestelling plaatsen. Wij hebben een zeer omvangrijke voorraad, ook specials! Bij grotere afnamen kun je het beste contact met ons opnemen, zodat wij jouw kortingspercentage af kunnen stemmen op je bestellingen en de betalingscondities kunnen bespreken.

materiaal: C45
Volgens Din 8187

Heeft u niet gevonden wat u zoekt,
Laat ons u helpen!