Kettingwiel BS Simplex voor rollenketting 10B-1 5/8'' x 3/8'' gehard Z = 12

Merk: DTS-Products
€6,90 Excl. btw
€8,35 Incl. btw
Op verzoek kunnen wij de kettingwielen voor u bewerken in ons bewerkingscentrum. Enkele voorbeelden van bewerkingen kunnen zijn; spiebaan, tapgat, pasboring etc.
Op voorraad
1 - 2 dagen
Voor counting... uur besteld, morgen in huis
Artikelcode K10B-1 12T-H gehard
EAN 6095815061067
Gerelateerde producten
Specificaties
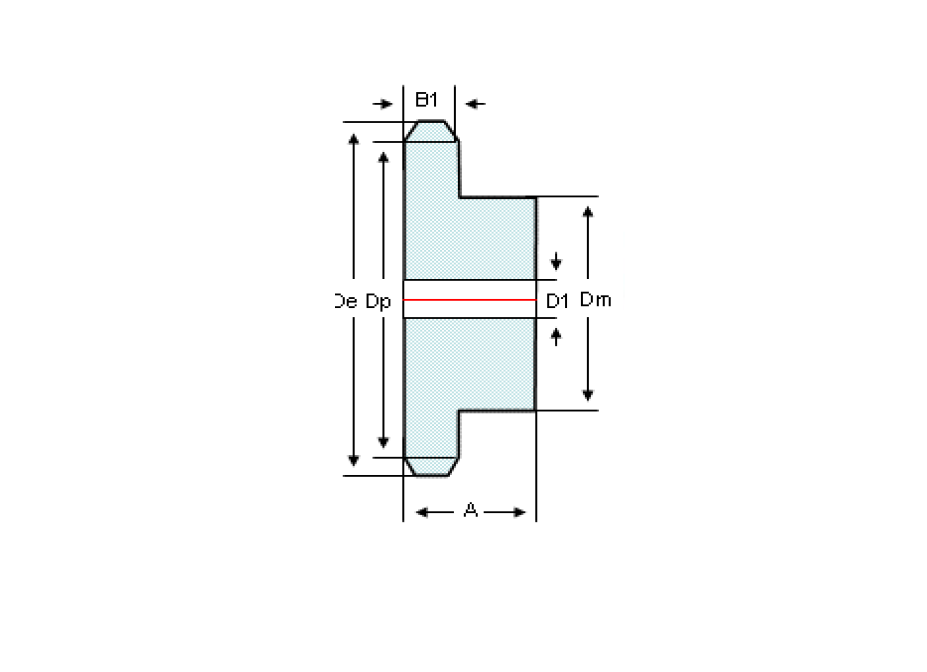
Aantal tanden Z 12
Boring D1 mm 12
Boring max. mm 27
Naaf afm. Dm mm 42
Naaf afm. A mm 30
Steek cirkel Dp mm 61,34
Kop cirkel De mm 68,20
Artikelcode K10B-1 12T-H gehard
Informatie

Kettingwiel simplex 10B-1 (5/8" x 3/8") gehard Z=12T

Deze kettingwiel simplex 10B-1 Z=12T is van staal C45 en gehard. Het verschil met geharde tanden is dat de slijtage van de ongeharde kettingwielen sneller gaat dan bij geharde tanden.

Steek  P =  15,875 mm
Binnenbreedte  E =    9,650 mm
Roldiameter  D3 =    10,16 mm
Tandbreedte  B1 =    9,100 mm

 

Wat is een kettingwiel simplex?

Een Kettingwiel simplex is een getand onderdeel van een machine of constructie waarover een ketting loopt om zodoende beweging en/of koppel over te brengen naar een tweede kettingwiel.
Hierbij bestaat de mogelijkheid om door middel van de verhouding tussen het aantal tanden op beide kettingwielen het overgebrachte koppel van grootte te veranderen.

Bewerking kettingwiel simplex 10B-1 (5/8" x 3/8") Z = 12T gehard

Alle kettingwielen simplex zijn standaard voorzien van een voorboring. Op verzoek zullen wij de kettingwielen voor je bewerken in ons bewerkingscentrum. 

Hebben jullie de kettingwiel 10B-1 Z = 12T gehard op voorraad?

Ben je op zoek naar een kettingwiel 10B-1 met geharde tanden? Dan ben je bij DTS Products aan het juiste adres. Bij ons vind je een uitgebreid assortiment aan kettingwielen. De kettingwielen simplex met ongeharde tanden zijn uit voorraad leverbaar. DTS heeft niet alle kettingwielen met geharde tanden op de website staan, deze zijn veelal op aanvraag

Je kunt de kettingwiel simplex eenvoudig in onze webshop bestellen. In de meeste gevallen kan DTS de kettingwiel simplex 10B-1 (5/8" x 3/8") gehard Z = 12T direct uit voorraad leveren, mocht dit niet het geval zijn dan is het meestal mogelijk deze met een korte levertijd alsnog te leveren.

Dit betekent dat je jouw bestelling snel in huis hebt. Heb je vragen over de kettingwiel 10B-1 (5/8" x 3/8") of over onze andere producten? Neem dan contact op met onze klantenservice. Wij helpen je graag!

Verzending van de kettingwiel simplex 10B-1 (5/8" x 3/8" ) Z= 12T

Bestel de kettingwiel simplex Z = 12 tanden op werkdagen voor 16.30 uur en het wordt dezelfde dag verzonden. Bestellingen in het weekend of op landelijke vrije dagen worden op de eerstvolgende werkdag verzonden. Onder normale omstandigheden wordt de bestelling binnen 1-2 werkdagen op het gewenste afleveradres bezorgd. 

Bij bestellingen vanaf € 75,- brengen wij géén verzendkosten in rekening. Bij bestellingen tot € 75,- wordt € 7,50 aan verzend- en verpakkingskosten in rekening gebracht. Afhalen is gratis. De eventuele verzendkosten worden in de winkelwagen automatisch verwerkt.

Welke bezorgopties kan ik kiezen?

Je kunt kiezen of je de kettingwiel simplex 10B-1 wilt laten bezorgen op het gewenste afleveradres of afhalen bij DTS Products BV in Doetinchem. Maak de keuze in de winkelwagen tijdens het afronden van je bestelling.

Heb je jouw onderdelen met spoed nodig. Neem dan contact op met onze klantenservice. Wij bieden een extra service om het pakket (binnen Nederland) de volgende werkdag met post.nl vòòr 10.00 uur of 12.00 uur op het gewenste afleveradres te bezorgen. Voor (buitenland) maken wij gebruik van ups deze leveren het pakket de volgende werkdag voor 12.00 uur.

Ons adres: DTS Products BV, Havenstraat 92, 7005 AG Doetinchem

Welke kettingwielen hebben wij nog meer

We hebben naast de Kettingwiel simplex ook Kettingwiel duplex en de Kettingwiel triplex  in ons assortiment zitten.

DTS levert de kettingwiel simplex 10B-1 (5/8" x 3/8") gehard Z = 12T in heel Nederland, bij o.a. productie- en assemblagebedrijven, handelsondernemingen, technische diensten en onderhoudswerkplaatsen.

Door een merk onafhankelijk assortiment en een eigen magazijn zijn wij in staat om in de meeste gevallen direct uit voorraad in heel Nederland te leveren. Wij leveren producten in verschillende prijs- en kwaliteitsklassen. Wij streven er dan ook naar om als technische groothandel middels een erg flexibel assortiment ook totaalleverancier te kunnen zijn.

Op onze site vindt je allerlei informatie over lagers, aandrijftechnische componenten en aanverwante artikelen. Ook kun je online uw bestelling plaatsen. Wij hebben een zeer omvangrijke voorraad, ook specials! Bij grotere afnamen kun je het beste contact met ons opnemen, zodat wij jouw kortingspercentage af kunnen stemmen op je bestellingen en de betalingscondities kunnen bespreken.

Materiaal: staal C45
Volgens Din 8187

Heeft u niet gevonden wat u zoekt,
Laat ons u helpen!