kettingwiel BS Simplex voor rollenketting 08B-1 gehard 1/2'' x 5/16" Z = 21 met spie 8mm, boring Ø 24mm

Merk: DTS-Products
€44,10 Excl. btw
€53,36 Incl. btw
Op voorraad
1 - 2 dagen
Voor counting... uur besteld, morgen in huis
Artikelcode MKE08B-1 21-8-24 gehard
EAN 6096537785729
Gerelateerde producten
Specificaties
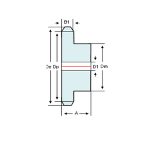
Aantal tanden Z 21
Diameter boring (mm) 24
Naaf diameter (mm) 68
Spie (mm) 8
Steek cirkel Dp mm 85.22
Dikte (mm) 7,2
Tapgat M 6
Kop cirkel De mm 90.10
Breedte (mm) 28
Informatie

Kettingwiel simplex 08B-1 1/2" x 5/16" gehard Z=21T met spie 8mm en boring Ø 24mm

De kettingwielen simplex Z=21T zijn van staal C45 en zijn standaard voorzien van geharde tanden (HRc45-55). Een voordeel van geharde tanden is de verlenging van de levensduur doordat de slijtage minder snel gaat dan bij ongeharde tanden. De kettingwiel wordt geleverd met 2 stelschroeven.

Steek  P =  12,70 mm
Binnenbreedte  E =  7,750 mm
Roldiameter  D3 =  8,510 mm
Tandbreedte  B1 =  7,200 mm

 

Eigenschappen kettingwiel 08B-1 gehard Z=21T met spie 8mm en boring Ø24mm

• Passing asgat H7
• Tapgat op spie en op 90°
• Spiebaan volgens DIN6885 op centerlijn van de tand

Wat is een kettingwiel simplex?

Een Kettingwiel simplex is een getand onderdeel van een machine of constructie waarover een ketting loopt om zodoende beweging en/of koppel over te brengen naar een tweede kettingwiel.
Hierbij bestaat de mogelijkheid om door middel van de verhouding tussen het aantal tanden op beide kettingwielen het overgebrachte koppel van grootte te veranderen.

Bewerking kettingwiel simplex 08B-1 1/2" Z = 21T gehard

Deze kettingwiel heeft een aangepaste boring. Heeft u een andere boring of spie nodig neem dan contact op met onze klantenservice

Hebben jullie de kettingwiel 08B-1 Z = 21T op voorraad?

Ben je op zoek naar een kettingwiel 08B-1? Dan ben je bij DTS Products aan het juiste adres. Bij ons vind je een uitgebreid assortiment plaatwielen. De kettingwielen simplex met geharde tanden zijn uit voorraad leverbaar. Naast de kettingwielen met geharde tand hebben we ook kettingwielen met ongeharde tanden op voorraad, deze zijn veelal op aanvraag. 

Je kunt de kettingwiel simplex eenvoudig in onze webshop bestellen. In de meeste gevallen kan DTS de kettingwiel simplex 08B-1 gehard 1/2" Z = 21T direct uit voorraad leveren, mocht dit niet het geval zijn dan is het meestal mogelijk deze met een korte levertijd alsnog te leveren.

Dit betekent dat je jouw bestelling snel in huis hebt. Heb je vragen over de kettingwiel simplex of over onze andere aandrijftechnische componenten? Neem dan contact op met onze klantenservice. Wij helpen je graag!

Verzending van de kettingwiel simplex 08B-1 gehard 1/2" Z= 21T

Bestel de kettingwiel simplex Z = 21 tanden op werkdagen voor 16.30 uur en het wordt dezelfde dag verzonden. Bestellingen in het weekend of op landelijke vrije dagen worden op de eerstvolgende werkdag verzonden. Onder normale omstandigheden wordt de bestelling binnen 1-2 werkdagen op het gewenste afleveradres bezorgd. 

Bij bestellingen vanaf € 75,- brengen wij géén verzendkosten in rekening. Bij bestellingen tot € 75,- wordt € 7,50 aan verzend- en verpakkingskosten in rekening gebracht. Afhalen is gratis. De eventuele verzendkosten worden in de winkelwagen automatisch verwerkt.

Welke bezorgopties kan ik kiezen?

Je kunt kiezen of je de kettingwiel simplex 08B-1 wilt laten bezorgen op het gewenste afleveradres of afhalen bij DTS Products BV in Doetinchem. Maak de keuze in de winkelwagen tijdens het afronden van je bestelling.

Heb je jouw onderdelen met spoed nodig. Neem dan contact op met onze klantenservice. Wij bieden een extra service om het pakket (binnen Nederland) de volgende werkdag met post.nl vòòr 10.00 uur of 12.00 uur op het gewenste afleveradres te bezorgen. Voor (buitenland) maken wij gebruik van ups deze leveren het pakket de volgende werkdag voor 12.00 uur.

Ons adres: DTS Products BV, Havenstraat 92, 7005 AG Doetinchem

Welke kettingwielen hebben wij nog meer

We hebben 3 verschillende soorten kettingwielen in ons assortiment zitten:

DTS levert de kettingwiel simplex 08B-1 gehard 1/2" Z = 21T in heel Nederland, bij o.a. productie- en assemblagebedrijven, handelsondernemingen, technische diensten en onderhoudswerkplaatsen.

Door een merk onafhankelijk assortiment en een eigen magazijn zijn wij in staat om in de meeste gevallen direct uit voorraad in heel Nederland te leveren. Wij leveren producten in verschillende prijs- en kwaliteitsklassen. Wij streven er dan ook naar om als technische groothandel middels een erg flexibel assortiment ook totaalleverancier te kunnen zijn.

Op onze site vindt je allerlei informatie over lagers, aandrijftechnische componenten en aanverwante artikelen. Ook kun je online uw bestelling plaatsen. Wij hebben een zeer omvangrijke voorraad, ook specials! Bij grotere afnamen kun je het beste contact met ons opnemen, zodat wij jouw kortingspercentage af kunnen stemmen op je bestellingen en de betalingscondities kunnen bespreken.

materiaal: C45
Volgens DIN 6885

Heeft u niet gevonden wat u zoekt,
Laat ons u helpen!