Kettingwiel taperlock duplex 20B-2 (1 1/4" x 3/4") Z = 25 Klembus 3020 gehard

Merk: DTS-Products
€344,45 Excl. btw
€416,78 Incl. btw
Op voorraad
1 - 2 dagen
Voor counting... uur besteld, morgen in huis
Artikelcode KBW20B-2 25T-H 3020
EAN 6096518643697
Gerelateerde producten
Specificaties
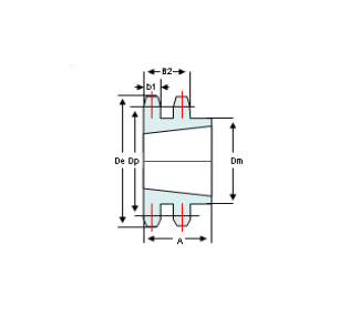
Aantal tanden Z 25
Klembus 3030
Naaf afm. Dm mm
Naaf afm. A mm
Steek cirkel Dp mm 253,33
Kop cirkel De mm 268,40
Artikelcode KBW20B-2 25T-H
Informatie

Kettingwiel duplex voor taperlock 20B-2 gehard (1 1/4"x 3/4") Z=25

Een kettingwiel duplex taperlock voor klembus 3020 zijn van staal C45. Deze kettingwiel duplex voor taperlock wordt ook wel klembuswiel duplex 20B-2 Z=25 genoemd. Deze klembus wielen hebben standaard geharde tanden. Een voordeel van geharde tanden is de verlenging van de levensduur doordat de slijtage minder snel gaat dan bij ongeharde tanden. Een taperlock wordt ook vaak een klembus, spanbus, of taperbush genoemd.

Steek  P =  31,75 mm
Binnenbreedte  E =  19,56 mm
Roldiameter  D3 =  19,05 mm
Tandbreedte  b1 =  18,20 mm
   B2 =  54,60 mm

 

Welke kettingwielen duplex voor taperlock hebben wij

We hebben 3 verschillende soorten kettingwielen voor taperlock in ons assortiment zitten:

  • Kettingwiel simplex voor taperlock
  • Kettingwiel duplex voor taperlock
  • Kettingwiel triplex voor taperlock

Hebben jullie de kettingwiel duplex voor taperlock 20B-2 Z=25T op voorraad?

Ben je op zoek naar een kettingwiel duplex voor taperlock Z=25? Dan ben je bij DTS Products aan het juiste adres. Bij ons vind je een uitgebreid assortiment aan kettingwielen en kettingwielen voor taperlock. 

Je kunt deze eenvoudig in onze webshop bestellen. In de meeste gevallen kan DTS de kettingwiel voor taperlock direct uit voorraad leveren, mocht dit niet het geval zijn dan is het meestal mogelijk deze met een korte levertijd alsnog te leveren.

Dit betekent dat je de bestelling snel in huis hebt. Heb je vragen over de kettingwielen voor taperlock simplex, duplex,  triplex of de klembus taperlock? Wil je meer weten over een bepaald product neem dan contact op met onze klantenservice. Wij helpen je graag!

Verzending van de kettingwiel taperlock

Bestel de kettingwiel taperlock duplex op werkdagen voor 16.30 uur en het wordt dezelfde dag verzonden. Bestellingen in het weekend of op landelijke vrije dagen worden op de eerstvolgende werkdag verzonden. Kies je voor 'Vooruitbetalen' dan verzenden wij je bestelling zodra de betaling bij ons binnen is. Onder normale omstandigheden wordt de bestelling binnen 1-2 werkdagen op het gewenste afleveradres bezorgd. 

Bij bestellingen vanaf € 75,- brengen wij géén verzendkosten in rekening. Bij bestellingen tot € 75,- wordt € 7,50 aan verzend- en verpakkingskosten in rekening gebracht. Afhalen is gratis. De eventuele verzendkosten worden in de winkelwagen automatisch verwerkt.

Welke bezorgopties kan ik kiezen?

Je kunt kiezen of je de bestelling wilt laten bezorgen op het gewenste afleveradres of afhalen bij DTS Products BV in Doetinchem. Maak de keuze in de winkelwagen tijdens het afronden van je bestelling. 

Heb je onderdelen met spoed nodig? Neem dan contact op met onze klantenservice. Wij bieden een extra service om het pakket (binnen Nederland) de volgende werkdag met post.nl voor 10.00 uur of 12.00 uur op het gewenste afleveradres te bezorgen. Voor (buitenland) maken wij gebruik van ups deze leveren het pakket de volgende werkdag voor 12.00

Ons adres: DTS Products BV, Havenstraat 92, 7005 AG Doetinchem

Over DTS

DTS levert de klembuswiel duplex 20B-2 (1 1/4" x 3/4") Z=25T in heel Nederland, bij o.a. productie- en assemblagebedrijven, handelsondernemingen, technische diensten en onderhoudswerkplaatsen.

Door een merk onafhankelijk assortiment en een eigen magazijn zijn wij in staat om in de meeste gevallen direct uit voorraad in heel Nederland te leveren. Wij leveren producten in verschillende prijs- en kwaliteitsklassen. Wij streven er dan ook naar om als technische groothandel middels een erg flexibel assortiment ook totaalleverancier te kunnen zijn.

Op onze site vind je allerlei informatie over lagers, aandrijftechnische componenten en aanverwante artikelen. Ook kun je online uw bestelling plaatsen. Wij hebben een zeer omvangrijke voorraad, ook specials! Bij grotere afnamen kun je het beste contact met ons opnemen, zodat wij jouw kortingspercentage af kunnen stemmen op je bestellingen en de betalingscondities kunnen bespreken.

Heeft u niet gevonden wat u zoekt,
Laat ons u helpen!