Recht gefreesd tandwiel moduul 1 Z = 26

Merk: DTS-Products
Aantal
Product
Prijs
Details
Tandwiel M1 26T boring 8mm
€3,35 Excl. btw
€4,05 Incl. btw
Tandwiel M1 26T boring 8mm
Voorraad
Op voorraad
Bezorging
Levertijd 1 - 2 dagen
ArtikelcodeMF M1 26T
EAN6095813655664
Tandwiel M1 26T boring 10mm
€4,48 Excl. btw
€5,42 Incl. btw
Tandwiel M1 26T boring 10mm
Voorraad
Op voorraad
Bezorging
Levertijd 1 - 2 dagen
ArtikelcodeM1 26T
EAN6096516089091
Voor counting... uur besteld, morgen in huis
Alles in de winkelwagen
Artikelcode MF M1 26T
EAN 6095813655664
Gerelateerde producten
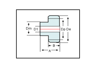
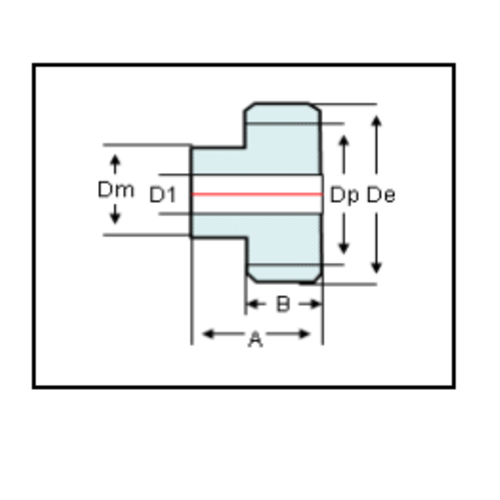
Specificaties
Aantal tanden Z 26
Totale hoogte A 25
Tandbreedte B 15
Kop cirkel De mm 28
Steek cirkel Dp mm 26
Naaf dia. Dm mm 20
Voor boring D1 mm 8 of 10mm
Artikelcode M1 26T
Informatie

Recht gefreesd tandwiel moduul 1 Z = 26

De tandwielen zijn van staal C45 en zijn standaard voorzien van een voorboring. Op verzoek laten wij de tandwielen voor u bewerken in ons bewerkingscentrum. Enkele voorbeelden van bewerking zijn; spiebaan, tapgat, pasboring, gaten op steekcirkel etc. Tevens kunnen wij de tandwielen voor u laten harden.

Wat is een recht gefreesd tandwiel moduul?

Een tandwiel wordt standaard aangeduid met een moduul. Dit is de verhouding tussen de steekcirkel en het aantal tanden van een tandwiel. Dit noemen ze een tandwiel moduul. De steekcirkel is de diameter van de cirkel die midden door de tanden loopt. Stel, de steekcirkel is 50mm, het aantal tanden is 50, dan is het moduul 50/50 is 1. Alle tandwielen uit zijn van staal, materiaal C45.

Bewerking recht gefreesd tandwiel moduul 1 Z = 26

Alle tandwielen zijn standaard voorzien van een voorboring. Op verzoek zullen wij de tandwielen voor u bewerken in ons bewerkingscentrum. Enkele voorbeelden van bewerking zijn; spiebaan, tapgat, pasboring, gaten op steekcirkel etc. Tevens kunnen de tandwielen voor u op diverse manieren worden gehard, zoals nitreren of carboneren.

Welke modulen hebben wij nog meer

We hebben 18 verschillende soorten tandwielen moduul in ons assortiment zitten:

Hebben jullie de recht gefreesd tandwiel moduul 1 Z = 26 op voorraad?

Ben je op zoek naar een recht gefreesd tandwiel moduul 1 Z = 26? Dan ben je bij DTS Products aan het juiste adres. Bij ons vind je een uitgebreid assortiment aan tandwielen, zowel conische tandwielen, rechtgefreesde tandwielen ongehard en gehard, als tandheugels zijn uit voorraad leverbaar. 

Heb je vragen over de tandwiel moduul 1, of over onze andere producten in de aandrijftechniek? Neem dan contact op met onze klantenservice. Wij helpen je graag!

Welke bezorgopties kan ik kiezen?

Je kunt kiezen of je de bestelling wilt laten bezorgen op het gewenste afleveradres of afhalen bij DTS Products BV in Doetinchem. Maak de keuze in de winkelwagen tijdens het afronden van je bestelling. Voor bezorgkosten ga naar Verzenden & Retourneren voor meer informatie.

Ons adres: DTS Products BV, Havenstraat 92, 7005 AG Doetinchem

Waarom koop je de recht gefreesd tandwiel moduul 1 Z = 26 bij DTS Products

DTS levert de recht gefreesd tandwiel moduul 1 Z = 26 in héél Nederland en België. Wij leveren bij o.a. productie- en assemblagebedrijven, handelsondernemingen, technische diensten en onderhoudswerkplaatsen.

Door een merk onafhankelijk assortiment en een eigen magazijn zijn wij in staat om in de meeste gevallen direct uit voorraad in heel Nederland te leveren. Wij leveren producten in verschillende prijs- en kwaliteitsklassen. Wij streven er dan ook naar om als technische groothandel middels een erg flexibel assortiment ook de totaalleverancier te kunnen zijn.

Op onze site vind je diverse informatie over lagers, aandrijftechnische componenten en aanverwante artikelen. Ook kun je online een bestelling plaatsen. Wij hebben een zeer omvangrijke voorraad, ook specials! Bij grotere afnamen kun je het beste contact met ons opnemen, zodat wij jouw kortingspercentage af kunnen stemmen op je bestellingen en de betalingscondities kunnen bespreken.

Heeft u niet gevonden wat u zoekt,
Laat ons u helpen!