Recht gefreesd tandwiel moduul 1.25 Z = 19

Merk: DTS-Products
€21,50 Excl. btw
€26,02 Incl. btw
De tandwielen zijn standaard voorzien van een voorboring. Op verzoek laten wij de tandwielen voor u bewerken in ons bewerkingscentrum. Tevens kunnen wij de tandwielen voor u laten harden.
Niet op voorraad
Levertijd op aanvraag
Artikelcode KOMAM125 19T
EAN 6096531982919
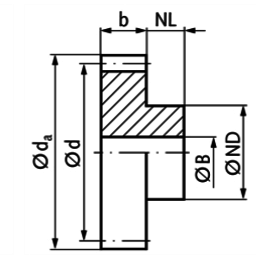
Specificaties
Aantal tanden Z 19
Materiaal C45
b (mm) 10
dª (mm) 26.25
d (mm) 23.75
NL (mm) 10
ND (mm) 15
Bh7 (mm) 6
Toelaatbare MD (Nm) 1.00
Artikelcode KOMAM125 19T
Informatie

Tandwiel moduul 1.25 Z = 19 met naaf

De tandwielen zijn van staal C45 en zijn standaard voorzien van een voorboring. Op verzoek laten wij de tandwielen voor u bewerken in ons bewerkingscentrum. Enkele voorbeelden van bewerking zijn; spiebaan, tapgat, pasboring, gaten op steekcirkel etc. Tevens kunnen wij de tandwielen voor u laten harden.

Wat is een tandwiel moduul?

Een tandwiel wordt standaard aangeduid met een moduul. Dit is de verhouding tussen de steekcirkel en het aantal tanden van een tandwiel. Dit noemen ze een tandwiel Moduul. De steekcirkel is de diameter van de cirkel die midden door de tanden loopt. Stel, de steekcirkel is 100mm, het aantal tanden is 20, dan is het moduul 100/20 is 5. Alle tandwielen uit zijn van staal, materiaal C45. Gefreesde tanden. Tandkwaliteit 8d25 DIN 3967. Drukhoek 20º.

Bewerking tandwiel moduul 1.25 Z = 19 met naaf

Alle tandwielen zijn standaard voorzien van een voorboring. Op verzoek zullen wij de tandwielen voor u bewerken in ons bewerkingscentrum. Enkele voorbeelden van bewerking zijn; spiebaan, tapgat, pasboring, gaten op steekcirkel etc. Tevens kunnen de tandwielen voor u op diverse manieren worden gehard, zoals nitreren of carboneren.

Hebben jullie de tandwiel moduul 1.25 Z = 19 op voorraad?

De Tandwiel moduul 1.25 Z=19 zijn specials, DTS Products heeft deze veelal op voorraad liggen. Zowel rechtgefreesde tandwielen als conische tandwielen zijn uit voorraad leverbaar. Mocht dit niet het geval zijn dan zijn deze specials binnen 2 weken te leveren.

Heb je vragen over deze aandrijfcomponenten of wil je meer weten over een bepaald product neem dan contact op met onze klantenservice. Wij helpen je graag!

Verzending van de tandwiel moduul 1.25 Z = 19 met naaf

Bestel de tandwiel moduul op werkdagen voor 16.30 uur en het wordt dezelfde dag verzonden. Bestellingen in het weekend of op landelijke vrije dagen worden op de eerstvolgende werkdag verzonden. Kies je voor 'Vooruitbetalen' dan verzenden wij je bestelling zodra de betaling bij ons binnen is. Onder normale omstandigheden wordt de bestelling binnen 1-2 werkdagen op het gewenste afleveradres bezorgd. 

Bij bestellingen vanaf € 75,- brengen wij géén verzendkosten in rekening. Bij bestellingen tot € 75,- wordt € 7,95 aan verzend- en verpakkingskosten in rekening gebracht. Afhalen is gratis. De eventuele verzendkosten worden in de winkelwagen automatisch verwerkt.

Welke bezorgopties kan ik kiezen?

Je kunt kiezen of je de bestelling wilt laten bezorgen op het gewenste afleveradres of afhalen bij DTS Products BV in Doetinchem. Maak de keuze in de winkelwagen tijdens het afronden van je bestelling. 

Ons adres: DTS Products BV, Havenstraat 92, 7005 AG Doetinchem

Welke modulen hebben wij nog meer

We hebben 18 verschillende soorten tandwielen moduul in ons assortiment zitten:

Over DTS

DTS levert de Tandwiel moduul 1.25 Z=19 in heel Nederland, bij o.a. productie- en assemblagebedrijven, handelsondernemingen, technische diensten en onderhoudswerkplaatsen.

Door een merk onafhankelijk assortiment en een eigen magazijn zijn wij in staat om in de meeste gevallen direct uit voorraad in heel Nederland te leveren. Wij leveren producten in verschillende prijs- en kwaliteitsklassen. Wij streven er dan ook naar om als technische groothandel middels een erg flexibel assortiment ook totaalleverancier te kunnen zijn.

Op onze site vindt je allerlei informatie over lagers, aandrijftechnische componenten en aanverwante artikelen. Ook kun je online uw bestelling plaatsen. Wij hebben een zeer omvangrijke voorraad, ook specials! Bij grotere afnamen kun je het beste contact met ons opnemen, zodat wij jouw kortingspercentage af kunnen stemmen op je bestellingen en de betalingscondities kunnen bespreken.

Heeft u niet gevonden wat u zoekt,
Laat ons u helpen!