Recht gefreesd tandwiel moduul 3 Z = 20 gehard

Merk: DTS-Products
Aantal
Product
Prijs
Details
Tandwiel moduul 3 Z = 20T gehard met voorboring 14mm
€33,85 Excl. btw
€40,96 Incl. btw
Tandwiel moduul 3 Z = 20T gehard met voorboring 14mm
Voorraad
Op voorraad
Bezorging
Levertijd 2 weken
ArtikelcodeSB M3 20T gehard met voorboring 14mm
EAN6096519474498
Tandwiel moduul 3 Z = 20T gehard met boring 14mm H7
€50,30 Excl. btw
€60,86 Incl. btw
Tandwiel moduul 3 Z = 20T gehard met boring 14mm H7
Voorraad
Op voorraad
Bezorging
Levertijd 2 weken
ArtikelcodeM3 20T gehard met boring 14mm H7
EAN6096521323326
Voor counting... uur besteld, morgen in huis
Alles in de winkelwagen
Artikelcode SB M3 20T gehard met voorboring 14mm
EAN 6096519474498
Gerelateerde producten
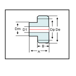
Specificaties
Aantal tanden Z 20
Totale hoogte A 50
Tandbreedte B 30
Kop cirkel De mm 66
Steek cirkel Dp mm 60
Naaf dia. Dm mm 45
Voor boring D1 mm Voorboring 14mm / boring 14mm H7
Artikelcode M3 20T gehard
Informatie

Recht gefreesd tandwiel moduul 3 Z = 20 gehard

Deze tandwielen zijn standaard voorzien van geharde tanden. De tandwielen zijn te bestellen met een voorboring of met een boring H7. Op verzoek zullen wij de tandwielen voor je bewerken in ons bewerkingscentrum. Enkele voorbeelden van bewerking zijn; spiebaan, tapgat, pasboring, gaten op steekcirkel etc. 

Wat is een tandwiel moduul?

Een tandwiel wordt standaard aangeduid met een moduul. Dit is de verhouding tussen de steekcirkel en het aantal tanden van een tandwiel. Dit noemen ze een tandwiel moduul. De steekcirkel is de diameter van de cirkel die midden door de tanden loopt. Stel, de steekcirkel is 180mm, het aantal tanden is 60, dan is het moduul 180/60 is 3. Alle tandwielen uit zijn van staal, materiaal C45.

Welke modulen hebben wij nog meer

We hebben 18 verschillende soorten tandwielen moduul in ons assortiment zitten:

Hebben jullie de recht gefreesd tandwiel moduul 3 Z = 20 gehard op voorraad?

Ben je op zoek naar een recht gefreesd tandwiel moduul 3 Z = 20 gehard? Dan ben je bij DTS Products aan het juiste adres. Bij ons vind je een uitgebreid assortiment aan tandwielen, zowel conische tandwielen, rechtgefreesde tandwielen, als tandheugels zijn uit voorraad leverbaar. 

Je kunt deze eenvoudig in onze webshop bestellen. In de meeste gevallen kan DTS de tandwiel moduul 3 met geharde tanden binnen 2 weken leveren. Heb je vragen over de tandwiel moduul 3 gehard of over onze andere producten in de aandrijftechniek? Neem dan contact op met onze klantenservice. Wij helpen je graag!

Welke bezorgopties kan ik kiezen?

Je kunt kiezen of je de bestelling wilt laten bezorgen op het gewenste afleveradres of afhalen bij DTS Products BV in Doetinchem. Maak de keuze in de winkelwagen tijdens het afronden van je bestelling. Voor bezorgkosten ga naar Verzenden & Retourneren voor meer informatie.

Ons adres: DTS Products BV, Havenstraat 92, 7005 AG Doetinchem

Waarom koop je de recht gefreesd tandwiel moduul 3 Z = 20 gehard bij DTS Products

DTS levert de recht gefreesd tandwiel moduul 3 Z = 20 gehard in héél Nederland en België. Wij leveren bij o.a. productie- en assemblagebedrijven, handelsondernemingen, technische diensten en onderhoudswerkplaatsen.

Door een merk onafhankelijk assortiment en een eigen magazijn zijn wij in staat om in de meeste gevallen direct uit voorraad in heel Nederland te leveren. Wij leveren producten in verschillende prijs- en kwaliteitsklassen. Wij streven er dan ook naar om als technische groothandel middels een erg flexibel assortiment ook de totaalleverancier te kunnen zijn.

Op onze site vind je diverse informatie over lagers, aandrijftechnische componenten en aanverwante artikelen. Ook kun je online een bestelling plaatsen. Wij hebben een zeer omvangrijke voorraad, ook specials! Bij grotere afnamen kun je het beste contact met ons opnemen, zodat wij jouw kortingspercentage af kunnen stemmen op je bestellingen en de betalingscondities kunnen bespreken.

Heeft u niet gevonden wat u zoekt,
Laat ons u helpen!